您好,欢迎进入 【腾骏达科技】 官方网站!

腾骏达科技

腾骏达科技

为您的设备保驾护航!

中国.电源设备制造企业



铅酸蓄电池


电  话: 0755-28260607

手  机: 18681525020

销售客服: 刘小姐

订购说明: (价格咨询或产品订购请致电,我们将根据您的需求报价)

产品描述: 变压器厂家客服


铅酸蓄电池

铅酸蓄电池

铅酸蓄电池/铅酸电池(VRLA),是一种电极主要由铅及其氧化物制成,电解液是硫酸溶液的蓄电池。铅酸电池放电状态下,正极主要成分为二氧化铅,负极主要成分为铅;充电状态下,正负极的主要成分均为硫酸铅。一个单格铅酸电池的标称电压是2.0V,能放电到1.5V,能充电到2.4V;在应用中,经常用6个单格铅酸电池串联起来组成标称是12V的铅酸电池,还有24V、36V、48V等。

铅酸蓄电池


铅酸蓄电池分类应用:

铅酸蓄电池广泛应用计算机、交通、银行、证券、通信、医疗、工业控制等行业.矿山、航天、工业、通讯、国防、医院、计算机业务终端、网络服务器、网络设备、数据存储设备、应急照明系统、铁路、航运、交通、电厂、变电站、核电站、消防安全报警系统、无线通讯系统、程控交换机、移动通讯、太阳能储存能量转换设备、控制设备及其紧急保护系统、个人计算机等领域。

铅酸蓄电池特点Parts组件:

材料/ 作用
正极
正极为铅-锑-钙合金栏板,内含氧化铅为活性物质 保证足够的容量 长时间使用中保持蓄电池容量,减小自放电
负极
负极为铅-锑-钙合金栏板,内含海绵状纤维活性物质 保证足够的容量
长时间使用中保持蓄电池容量,减小自放电
隔板
先进的多微孔AGM隔板保持电解液,防止正极与负极短路。
防止正负极短路
保持电解液
防止活性物质从电极表面脱落
电解液
在电池的电化学反应中,硫酸作为电解液传导离子
使电子能在电池正负极活性物质间转移
外壳和盖子
在没有特别说明下,外壳和盖子为ABS树脂
提供电池正负极组合栏板放置的空间
安全阀
材质为具有优质耐酸和抗老化的合成橡胶。
电池内压高于正常压力时释放气体,保持压力正常
阻止氧气进入
端子
根据电池的不同,正负极端子可为连接片、棒状、螺柱或引出线。
密封端子有助于大电流放电和长的使用寿命

铅酸蓄电池

铅酸蓄电池使用条件:

(1) 避免将电池与金属容器直接接触,应采用防酸和阻热材料,否则会引起冒烟或燃烧。
(2)使用指定的充电器在指定的条件下充电,否则可能会引起电池过热、放气、泄露、燃烧或破裂。
(3)不要将电池安装在密封的设备里,否则可能会使设备浦破裂。
(4)将电池使用在医护设备中时,请安装主电源外的后备电源,否则主电源失效会引起伤害。
(5)将电池放在远离能产生火花设备的地方,否则火花可能会引起电池冒烟或破裂。
(6)不要将电池放在热源附近(如变压器),否则会引起电池过热、泄漏、燃烧或破裂。
(7)应用中电池数目超过一只时,请确保电池间连接无误,且与充电器或负载连接无误,否则会引起电池破裂、燃烧或电池损害,某些情况下还会伤人。
(8)特别注意别让电池砸在脚上。
(9)电池的指定使用范围如下。超出此范围可能会引起电池损害。
电池的正常操作范围为:77.F(25℃)
电池放电后(装在设备中):5.F到122.F(-15℃到50℃)
充电后:32.F到104.F(0℃到40℃)
储存中:5.F到104.F(-15℃到40℃)
(10)不要将装在机车上的电池放在高温下、直射阳光中、火炉或火前,否则可能会造成电池泄漏、起火或破裂。
(11)不要在充满灰尘的地方使用电池,可能会引起电池短路。在多尘环境中使用电池时,应定期检查电池。

热门:铅酸蓄电池,什么是阀控式铅酸蓄电池,铅酸免维护蓄电池,铅酸蓄电池原理,铅酸蓄电池的工作原理,铅酸电池一年大概衰减多少,60v20ah铅酸电池多重,铅酸电池的优缺点,铅酸电池怎么保养,锂电池和铅酸电池有什么区别,铅酸免维护电池,铅酸电池保养,铅酸电池容量,
铅酸电池充电电流,阀控式密封铅酸蓄电池,废旧铅酸蓄电池价格,铅酸蓄电池和锂电池哪个好,铅酸蓄电池价格,铅酸蓄电池极板,铅酸蓄电池充电,12v铅酸蓄电池,12v20ah铅酸蓄电池尺寸,60v100ah铅酸电池多少钱,60v32ah铅酸电池多少钱,72v32ah铅酸电池多少钱,72v20ah铅酸电池多少钱,48v20ah铅酸电池多少钱,48伏20安铅酸电池价格,铅酸电池维护

变压器结构件

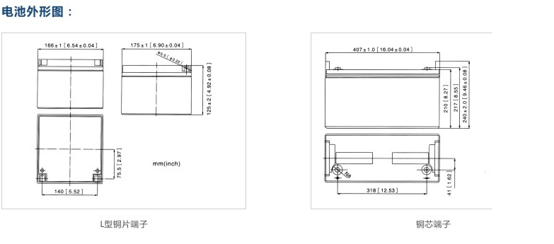
铅酸蓄电池结构特征:

按其结构可分为单体槽和整体槽两种。单体塑料槽主要是固定型和牵引型蓄电池使用。整体槽主要是汽车型和中、小型阀控式蓄电池。ABS塑料容易注塑成型,工艺简单。最常见的问题是翘曲,其次是汇流痕、分解料等。翘曲主要是由于模具温度较高,或塑料槽等制品在模具内冷却时间过短;汇流痕通常是由于模具排气不良,模具温度较低,注射压力较低造成的;分解料主要是由于加工温度过高,注射压力过大,回用料回用次数过多。另外,ABS电池槽还是有注塑量不足、缺肉、毛刺、飞边、白化、波纹、银丝、气泡、烧伤、混色、裂纹、孔洞等缺陷。这些缺陷与加工过程中注射温度、压力、速度、时间等工艺条件有直接的关系,影响着铅蓄电池槽的外观质量。
。(以上以实际为准)

专业生产各种型号变压器稳压器ups电源:铅酸蓄电池,隧道变压器、380/220/200变压器、进出口设备专用变压器、隔离变压器、三相隔离变压器、IT单相医疗隔离变压器、干式隔离变压器、三相干式隔离变压器、老化变压器、10-1000KVA变压器。 无触点稳压器、三相补偿稳压器、大功率稳压器、380v大功率稳压器、油浸式稳压器、自动补偿式电力稳压器、三相补偿电力稳压器、稳变压器一体机。工频机ups不间断电源、ups电源高频机。油浸感应调压器、三相调压器。
服务保证

>>公司产品服务保障:
一、质量目标
     1、严格执行国家相关行业标和国家相关检验规程。
     2、全面推行质量管理体系及环境管理体系、健康管理体系,保证产品质量,确保在正常运输情况下,保证产品开箱出厂合格率100%。
     3、实现质量承诺,让客户放心和满意使用我公司所提供的铅酸蓄电池产品,力求客户满意度达100%。
二、产品质量承诺
     1、产品质量严格执行国家标准和国家相关设计、制造、检验规程,并按合同条款认真履行;
     2、我公司所提供的铅酸蓄电池,保证均为厂家全新、原装、正宗的产品,并随机附产品使用说明书、产品检验合格报告及其他相关的资料。主机质保期为1年,质保期内出现质量问题免费维修。
三、交货承诺
     1、严格按照合同规定,履行交货时限,保证所提供产品的完整性,确保客户如期安装使用;
     2、严格按照合同规定,指定交货地点,交货方式,确保货物的安全性;
四、售后服务承诺
     1、为客户免费提供产品安装指导和维护培训或相关的资料文档;
     2、保证产品在满足其使用要求的环境中运行合格;建立客户档案,定期进行产品质量跟踪服务;
     3、建立完善售前、售中、售后服务网络,实行本地化服务。解决用户在使用产品过程中遇到技术难题或其他问题时的后顾之忧;
     4.货物到货验收后,我方保证所供设备的常用备件及易损件的供应。保证以不高于本合同附件的价格提供所需的维修备品备件(包括主电路板件、控制板件等)。保证提供与本合同设备兼容的扩容设备。
     5.由于使用方人为事故或其它天灾等不可抗因素造成货物损坏,不在保修范围内,我方负责有偿维修服务。
     6.本公司售前售中售后服务部门在接待客户需求时,如有任何非正常应答、不以客户利益为根本的行为,公司将依照本公司相关规定严肃处理,尽力100%满足客户全面正常需求。
>选型温馨提示
     1、稳压电源(稳压器)产品不能工作在电网频率不稳或者频率偏差很大的场合;
     2、稳压电源(稳压器)产品前面不能附加其他稳压器或调压器;
     3、
稳压电源(稳压器)产品要求输入输出的零线必须可靠链接,否则会导致产品损坏
    4、其它电源产品按注意事项要求

®注:公司产品一律实行国家三包政策,产品凡是在公司保修期内发生任何质量问题可免费退换!(客户特殊要求除外)本企业产品经ISO9001-质量体系等国内外安全认证,客户可放心选购、安全使用!!!

车间展示

铅酸蓄电池

成功案例

成功案例

服务流程

金沙bjs线路检测中心

如您想了解铅酸蓄电池产品型号参数、实时报价、成功案例、解决方案 我们将根据您的需求报价,欢迎来电咨询 优惠热线:0755-28260607 400-885-3918

联系我们

深圳市腾骏达科技有限公司
腾骏达电话  联系电话:18681525020/400-885-3918
腾骏达电话  固定电话:0755-28260607
腾骏达微信QQ号码:2692556261 (加QQ好友)
微信号:186-8152-5020 (加微好友)
联系我们
腾骏达首页 | 关于我们 | 产品展示 | 案例展示 | 服务支持 | 新闻资讯 | 公司荣誉 | 联系我们 |
金沙bjs线路检测中心 SHENZHEN TJD SCIENCE AND TECHNOLOGY CO., LTD
  • 公司地址: 湖南。东莞。深圳市宝安区燕川胜丰工业园A1区
  • 免费电话:18681525020   电 话:0755-28260607
  • 邮      箱:  [email protected]  企业QQ:2692556261  
 

扫一扫,加好友 或 搜索
186-8152-5020(微信同号)

075528260607 服务热线
ServiceHotline