更多分类
所属栏目: 公司新闻根据国家标准,我国工业用电采用三相380V电压系统,民用及家用电器采用单相220V电压。在三相四线制中,火线与火线之间的电压为380V,任一火线与零线之间的电压为220V。
在实际应用中,经常需要将工业用的380V电压转换为220V电压以满足不同设备的用电需求。下面详细介绍两种主要的转换方案:

当设备需要使用单相220V电压时,可以直接从三相电源中取用其中一相火线与零线组合。但需要注意三相负载平衡分配,避免出现三相电不平衡现象。
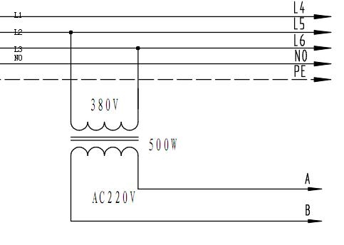
更专业的做法是使用三相380V转单相220V变压器,通过变压器直接输出稳定的单相电,无需担心三相不平衡问题,且功率供应更加充足。
当设备需要三相220V电压时(火线与火线电压220V,火线与零线电压127V),必须使用专业变压器进行转换。
通过三相380V转三相220V变压器,在变压器输出端为设备提供稳定的三相220V电源,确保设备正常运行。

功率计算参考:在进行变压器选型时,需要准确计算功率需求。您可以参考380V功率计算公式进行详细计算。
变压器通过电磁感应原理实现电压转换。当交流电通过初级线圈时,产生交变磁场,进而在次级线圈中感应出相应电压。通过调整初级线圈与次级线圈的匝数比,即可实现不同的电压转换比例。
专业建议:选择合适的380V转220V变压器时,需要考虑设备功率需求、使用环境、安装条件等因素。建议咨询专业技术人员,根据具体需求选择合适的变压器型号。
如需了解更多关于380V转220V变压器的产品信息、技术参数及选型建议,欢迎来电咨询,我们将为您提供专业的技术支持和解决方案。
